WD‑G1 Quad‑Band GNSS Spoofing Module
High‑Performance · Cost‑Effective · Compact

Product Overview
The WD‑G1 is a high‑performance, cost‑effective quad‑band GNSS spoofing module designed for real‑time spoofing of GPS L1CA, BDS B1I, GLONASS L1, and GALILEO E1 signals.
It features a compact form factor for seamless integration into handheld or portable devices and supports flexible control methods via serial commands or direct I/O signals. With an output power of up to 10 dBm and a PA‑enable control port, it can easily connect to external high‑power RF amplifiers.
Custom interfaces and features can be tailored to specific requirements, and turn‑key solutions with proven source code are available for OEM and development partners.
The module is also can be configured to operate in jamming mode.
Key Features
- Quad‑Band Support – GPS L1CA, BDS B1I, GLONASS L1, GALILEO E1
- Flexible Control – Standard RS‑232 interface and multiple I/O channels
- High Output Power – Up to 10 dBm with PA enable control
- Compact & Lightweight – Easy integration into handheld or portable devices
- Customizable – Interfaces and functions can be tailored to your needs
- Turn‑Key Support – Complete solutions with mature source code for integration
Key Specifications
| Parameter | Specification |
|---|---|
| Supported Frequencies | GPS L1CA / BDS B1I / GLONASS L1 / GALILEO E1 |
| Control Interface | RS‑232 Serial Port & Multiple GPIO I/O |
| Max Output Power | 10 dBm |
| PA Enable Control | Supported |
| Power Supply | 5V/1A |
| Dimensions | 63 mm × 42 mm × 16 mm |
| Form Factor | Compact module, portable integration |
| Customization | Hardware/Software interfaces available |
Applications
- Handheld GNSS test equipment
- GNSS receiver evaluation and verification
- Portable navigation system spoofing simulation
- Field R&D and academic research
- OEM integration into specialized RF devices

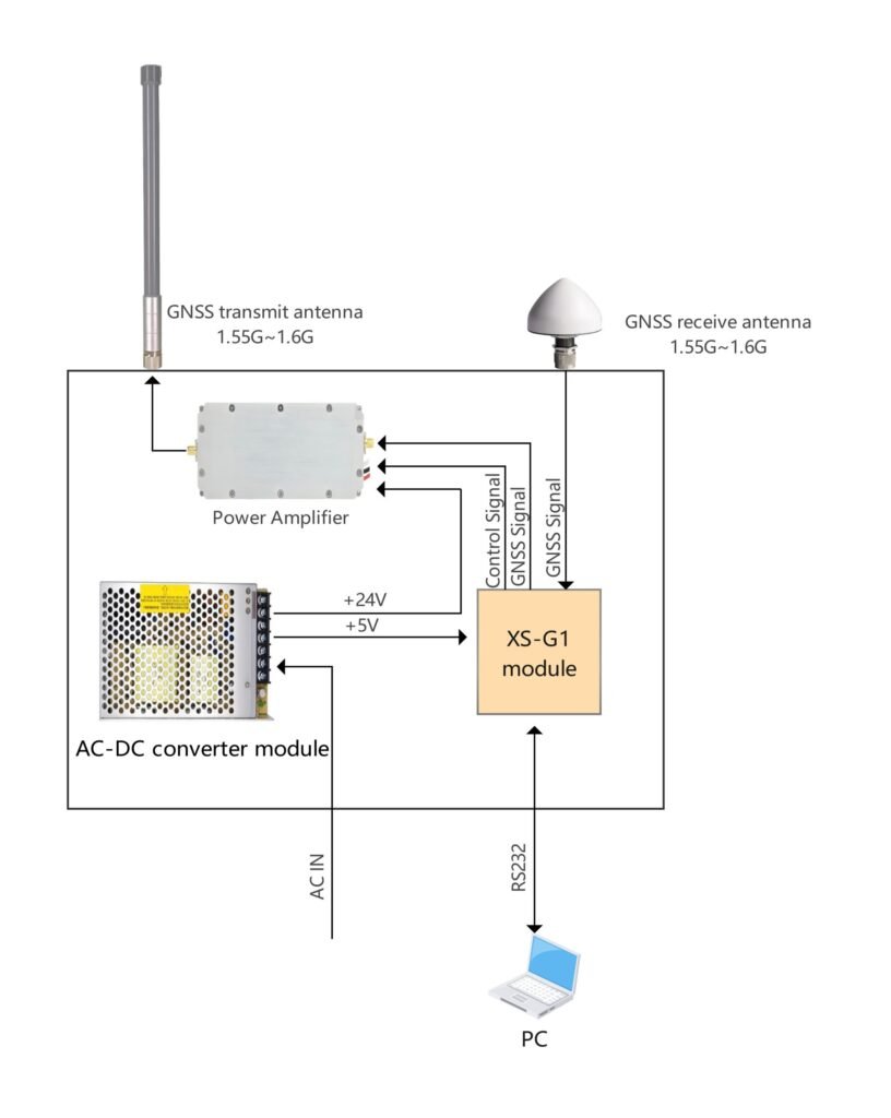
AC Power Input Application Diagram

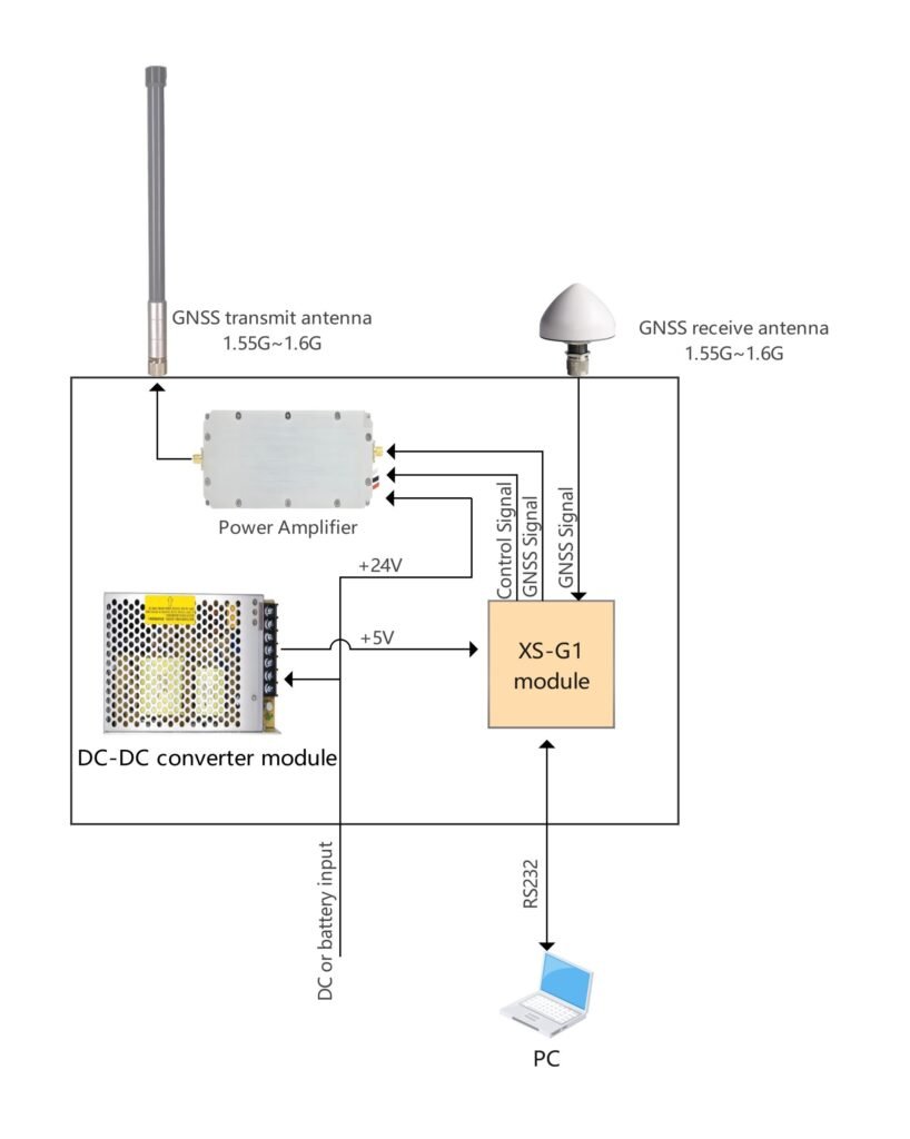
DC Power Input Application Diagram

Battery Input Application Diagram
OEM & Partnership
Custom developments, hardware modifications, and software adaptations are available.
We provide full technical documentation, integration support, and access to proven source codes for fast deployment.